Поделитесь с друзьями:
SC series standard cylinder is the most widely used tie-rod, double-acting cylinder in industrial automation, distinguished by its reliable structure, strong versatility, and flexible installation options.
Характеристики
symbol

Order Code

Standard Specifications
| Inner diameter mm (bore diameter) | 32 | 40 | 50 | 63 | 80 | 100 | 125 | 160 | 200 | 250 |
| Action Form | SC : Double-acting type SCD : Double-Axis Double-Acting Type SCJ : Dual-Axis Double-Acting Type with Adjustable Stroke | |||||||||
| Working Medium | Air (filtered through a 40 µm mesh screen) | |||||||||
| SC Series Mounting Configurations | Basic Type FA, FB, CA, CB, LB, TC, TF | Basic Type FA, FB, CA, CB, LB, TC, TCM1 | ||||||||
| SCD/SCJ Series Mounting Configurations | Basic Type FA, LB, TC, TF | Basic Type FA, LB, TC,TCM1 | ||||||||
| Operating Pressure Range | 0.1~1.0Mpa(14~145Psi)(1.0~10.0bar) | |||||||||
| Guaranteed Pressure Resistance | 1.5Mpa(215Psi)(15bar) | |||||||||
| Operating Temperature | -20°C~80°C | |||||||||
| Operating Speed Range | 30~800mm/s | 30~500mm/s | ||||||||
| Travel Range | (0~250 +1.0)(250~1000 +1.4)(1001~1500 +1.8) | |||||||||
| Buffering Form | Adjustable Cushioning (Air Cushioning) | |||||||||
| Cushion Stroke (mm) | 21 | 28 | 29 | 28 | 29 | 33 | 40 | |||
| Connection Thread Type | PT1/8 | PT1/4 | PT3/8 | PT1/4 | PT1/2 | PT3/4 | PT 1 | |||
| Piston Rod Connection Accessories | I: I-Type Joint U: Fish-Eye Joint Y: Y-Type Joint F: Floating Joint | |||||||||
| Compatible with Magnetic Switches | SC1-U SC1-F CS1-G D-A93 D-M9B D-273 D-M9N DS1-E DMSH CS-9D CS-8G DFSH DFSE | |||||||||
Note: Connecting pipe threads are available in NPT and G thread options.
Standard Stroke of Pneumatic Cylinders
| Cylinder Series | Inner diameter mm (bore diameter) | Standard Travel Stroke(mm) | Maximum Travel | Permissible Travel |
| SC SCD SCJ | 32 | 25.50.75.80.100.125.150.160.175.200.250.300.350.400.450.500. | 1000mm | 2000mm |
| 40 | 25.50.75.80.100.125.150.160.175
200.250.300.350.400.450.500 600.700.800.900.1000 |
1200mm | 2000mm | |
| 50 | 1200mm | 2000mm | ||
| 63 | 1500mm | 2000mm | ||
| 80 | 1500mm | 2000mm | ||
| 100 | 1500mm | 2000mm | ||
| 125 | 1000mm | 2000mm | ||
| 160 | 1200mm | 2000mm | ||
| 200 | 1200mm | 2000mm | ||
| 250 | 1500mm | 2000mm |
Note: Within the maximum stroke range,
if the stroke is ≥ 1600 mm, it will be treated as a non-standard item; for other special stroke requirements, please contact our company.
Cylinder Theoretical Output Table
| Cylinder Inner Diameter (mm) (Bore) | 32 | 40 | 50 | 63 | 80 | 100 | |||||||
| Piston Rod Outer Diameter (mm) | 12 | 16 | 20 | 20 | 25 | 25 | |||||||
| Action Form | Double-acting type | Double-acting type | Double-acting type | Double-acting type | Double-acting type | Double-acting type | |||||||
| Pressing Force | Pulling force | Pressing Force | Pulling force | Pressing Force | Pulling force | Pressing Force | Pulling force | Pressing Force | Pulling force | Pressing Force | Pulling force | ||
| Compressed Area (mm²) | 804 | 690 | 1256 | 1055 | 1963 | 1649 | 3117 | 2803 | 5026 | 4536 | 7853 | 7362 | |
| Air Pressure (MPa) | 0.1 | 80.4 | 69 | 125.6 | 105.5 | 196.3 | 164.9 | 311.7 | 280.3 | 502.6 | 453.6 | 785.3 | 736.2 |
| 0.2 | 160.8 | 138 | 251.2 | 211 | 392.6 | 329.8 | 623.4 | 560.6 | 1005.2 | 907.2 | 1570.6 | 1472.4 | |
| 0.3 | 241.2 | 207 | 376.8 | 316.5 | 588.9 | 494.7 | 935.1 | 840.9 | 1507.8 | 1360.8 | 2355.9 | 2208.6 | |
| 0.4 | 321.6 | 276 | 502.4 | 422 | 785.2 | 659.6 | 1246.8 | 1121.2 | 2010.4 | 1814.4 | 3141.2 | 2944.8 | |
| 0.5 | 402 | 345 | 628 | 527.5 | 981.5 | 824.5 | 1558.5 | 1401.5 | 2513 | 2268 | 3926.5 | 3681 | |
| 0.6 | 482.4 | 414 | 753.6 | 633 | 1177.8 | 989.4 | 1870.2 | 1681.8 | 3015.6 | 2721.6 | 4711.8 | 4417.2 | |
| 0.7 | 562.8 | 483 | 879.2 | 738.5 | 1374.1 | 1154.3 | 2181.9 | 1962.1 | 3518.2 | 3175.2 | 5497.1 | 5153.4 | |
| 0.8 | 643.2 | 552 | 1004.8 | 844 | 1570.4 | 1319.2 | 2493.6 | 2242.4 | 4020.8 | 3628.8 | 6282.8 | 5889.6 | |
| 0.9 | 723.6 | 621 | 1130.4 | 949.5 | 1766.7 | 1484.1 | 2805.3 | 2522.7 | 4523.4 | 4082.4 | 7067.7 | 6625.8 | |
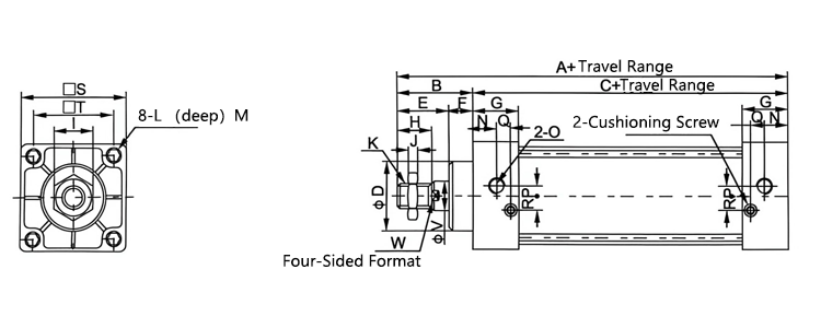
SC Series Cylinder Dimensional Drawing

Note: The dimensions of the magnetic and non-magnetic versions are identical.
| Bore / Symbol | A | B | C | D | E | F | G | H | I | J | K | L | M | N | O | P | Q | R | S | T | V | W |
| 32 | 140 | 47 | 93 | 28 | 32 | 15 | 27.5 | 22 | 17 | 6 | M10*1.25 | M6*1 | 9.5 | 13.7 | 1/8 | 3.5 | 7.5 | 7 | 45 | 33 | 12 | 10 |
| 40 | 142 | 49 | 93 | 32 | 34 | 15 | 27.5 | 24 | 17 | 7 | M12*1.25 | M6*1 | 9.5 | 13.5 | 1/4 | 6 | 8.2 | 9 | 50 | 37 | 16 | 14 |
| 50 | 150 | 57 | 93 | 38 | 42 | 15 | 27.5 | 32 | 23 | 8 | M16*1.5 | M6*1 | 9.5 | 13.5 | 1/4 | 8.5 | 8.2 | 9 | 62 | 47 | 20 | 17 |
| 63 | 153 | 57 | 96 | 38 | 42 | 15 | 27.5 | 32 | 23 | 8 | M16*1.5 | M8*1.25 | 9.5 | 13.5 | 3/8 | 7 | 8.2 | 8.5 | 75 | 56 | 20 | 17 |
| 80 | 182 | 75 | 108 | 47 | 54 | 21 | 33 | 40 | 26 | 10 | M20*1.5 | M10*1.5 | 11.5 | 16.5 | 3/8 | 10 | 9.5 | 14 | 94 | 70 | 25 | 22 |
| 100 | 189 | 75 | 114 | 47 | 54 | 21 | 33 | 40 | 26 | 10 | M20*1.5 | M10*1.5 | 11.5 | 16.5 | 1/2 | 11 | 9.5 | 14 | 112 | 84 | 25 | 22 |
| 125 | 246 | 101 | 145 | 57 | 69 | 32 | 40 | 54 | 39 | 11 | M27*2 | M12*1.75 | 15 | 20 | 1/2 | . | . | . | 140 | 110 | 32 | 29 |
| 160 | 315 | 135 | 180 | 65 | 80 | 36 | 50 | 60 | 52 | 14 | M36*2 | M16*2 | 15 | 25 | 3/4 | . | . | . | 180 | 140 | 40 | 36 |
| 200 | 334 | 149 | 185 | 80 | 80 | 48 | 50 | 60 | 52 | 14 | M36*2 | M16*2 | 30 | 25 | 3/4 | . | . | . | 220 | 175 | 50 | 46 |
| 250 | 384 | 189 | 195 | 90 | 119 | 70 | 50 | 84 | 65 | 21 | M42*2 | M20*2.5 | 30 | 25 | 3/4 | . | . | . | 280 | 220 | 50 | 46 |
| 320 | 440 | 206 | 234 | 110 | 126 | 80 | 55 | 96 | 75 | 24 | M48*2 | M24*3 | 40 | 27.5 | 1 | . | . | . | 350 | 280 | 70 | 65 |
| 400 | 440 | 190 | 250 | 128 | 110 | 80 | 60 | 70 | 85 | 28 | M56*4 | M30*3.5 | 40 | 30 | 1 | . | . | . | 430 | 350 | 80 | 76 |
SCD: Dual-Axis, Double-Acting Type
SCJ: Dual-Axis, Double-Acting Type with Adjustable Stroke

| Bore / Symbol | A1 | A2 | B | C | E | Z | J | K |
| 32 | 187 | 182 | 47 | 93 | 32 | 27 | 6 | M10*1.25 |
| 40 | 191 | 185 | 49 | 93 | 34 | 28 | 7 | M12*1.25 |
| 50 | 207 | 194 | 57 | 93 | 42 | 29 | 8 | M16*1.5 |
| 63 | 210 | 197 | 57 | 96 | 42 | 29 | 8 | M16*1.5 |
| 80 | 257 | 238.5 | 75 | 107 | 54 | 35.5 | 10 | M20*1.5 |
| 100 | 263 | 244.5 | 75 | 113 | 54 | 35.5 | 10 | M20*1.5 |
Note:
SC Series Cylinder Dimensional Drawing(Large Bore)

| Bore / Symbol | A | AB | AC | AD | AE | B | D | DA | E | EA | F | FA | H | K | KA | KB | M | MA | P | PA | PB |
| 125 | 203 | 88 | 115 | 38 | 38 | 136 | 32 | 68 | M27*2.0 | 54 | 41 | 13.5 | 27 | M12*1.75 | 21 | 104 | 52 | 20 | PT1/2 | 20 | 14 |
| 160 | 239 | 113 | 126 | 38 | 38 | 174 | 40 | 88 | M36*2.0 | 72 | 55 | 18 | 36 | M16*2.0 | 21 | 134 | 62 | 25 | PT3/4 | 20 | 15 |
| 200 | 244 | 118 | 126 | 38 | 38 | 214 | 40 | 88 | M36*2.0 | 72 | 55 | 18 | 36 | M16*2.0 | 21 | 163 | 62 | 30 | PT3/4 | 20 | 15 |
| 250 | 294 | 141 | 153 | 48 | 48 | 267 | 50 | 106 | M42*2.0 | 84 | 65 | 21 | 46 | M20*2.5 | 26 | 202 | 86 | 35 | PT 1 | 25.5 | 22 |
SCD/SCJ Series Cylinder Dimensional Drawing(Large Bore)

| Bore / Symbol | A(SCD) | A(SCJ) | AB | AC | DA | DB | E | FA |
| 125 | 291 | 265.5 | 88 | 115 | 68 | 42.5 | M27*2.0 | 13.5 |
| 160 | 352 | 332 | 113 | 126 | 88 | 68 | M36*2.0 | 18 |
| 200 | 362 | 342 | 118 | 126 | 88 | 68 | M36*2.0 | 18 |
| 250 | 435 | 409 | 141 | 153 | 106 | 80 | M42*2.0 | 21 |
Note:
In addition to the information regarding cylinders provided above, the following related details should also be reviewed.
Пожалуйста, пришлите нам
Производители пневматики в Китае